Hersteller: BARTELS

Bartels Anschluss für den Topbereich - Gabelterminal von Bartels

Art.Nr.: BA-G34-20-3M

Hersteller: BARTELS

ab EUR 47,20
inkl. 19 % USt

  • Lieferzeit 2-4 Tage
  • Gewicht 0,05 kg
 
  • Variante:

Bitte wählen Sie Ihre gewünschte Variation um das Produkt in den Warenkorb zu legen.

Zu diesem Artikel existieren noch keine Bewertungen

Produktbeschreibung

Anwendungsbereich

Für die Verbindung zwischen Stagwirbel und Mast stehen Laschen, Gabeln und T-Toggle zur Auswahl.

Der Wirbel muss sich frei in Zugrichtung des Vorstages einstellen können, ohne dass er am Mast streift oder das Fall in der Fallaustrittsrolle bekneift.

Eventuell weitere vorhandene Fallen dürfen nicht von drehenden Teilen erfasst werden und sind daher durch Führungsaugen / Spinnakergalgen freizuhalten.

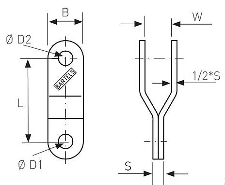
Modell

Art.-Nr.

Länge

Breite

Ø D1

Ø D2

Weite

Stärke

Bruchlast

1

BaG34-20-3

34 mm

20 mm

8 mm

8 mm

6 mm

6 mm

30kN

2

BaG48-20-3

48 mm

20 mm

8 mm

8 mm

6 mm

6 mm

30 kN

3

BaG75-25-3

75 mm

25 mm

10 mm

10 mm

15 mm

6 mm

40 kN

4

BaG65-25-4

65 mm

25 mm

10 mm

10 mm

10 mm

8 mm

50 kN

5

BaG75-30-5

75 mm

30 mm

12 mm

12 mm

10 mm

10 mm

60 kN

 

 

 

Bewertungen

* Den Zusatz “Verifizierter Kauf” erhalten nur Bewertungen, die von Käufern abgegeben wurden, die das Produkt in diesem Shop gekauft haben. mehr